
作为与我们提供的厂级性能提升咨询服务相配套,我们也帮助客户通过软件平台Actsys@One来全天候监测厂级性能。 Actsys@One持续性监测和排定性能差距的优先级,并提醒运维人员采取及时的修正方案。作为自主开发的软件,Actsys@One 是基于我们在过往能源审计和厂级性能检测项目中广泛采用的计算方法基础上进行开发的。
ACTSYS@ONE™ 如何协助执行ISO50001
以下图形举例说明了能源管理系统的整体分析方法。如图所示,每个顶点标注的是ISO50001的所有要素,而正确执行实时能源管理系统能直接实现被圈出的要素。

有价值的提案
自2006年起,我们已开始为客户执行实时能源管理系统。根据客户反馈和售后复查,我们在如何使该系统更可持续性提供有价值方案,避免成为鸡肋方面积累了丰富的知识和经验。
查询Actsys@One 如何帮助您的组织在工业4.0时代达到业内领先的有价值提案。

深度分析所有性能参数
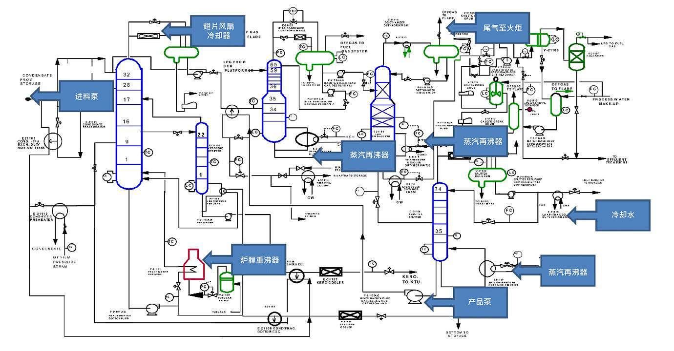
每一个实时性能监测项目的第一步都是对工艺流程图进行细致的梳理,找出所有影响厂级性能的参数。因此,能源管理系统涵盖了所有重要的能源使用者以及相关决定耗能的操作参数。示例图下。
通过对所有重要的能源使用者的历史数据进行桌面分析,由此全面了解这些使用者的实际性能,操作限制,并通过模型和设备的性能曲线计算出各自的优化目标。
以上的这些计算过程都会与厂方的技术和操作团队深入讨论,并详细记录在性能参数数据单上。这一步骤的完成度和质量组成了一个优秀的实时性能监测系统的基石。

Software Faq Chinese
化工厂一般拥有多个不同压强的蒸汽总管,不同的蒸汽生产设备,自有发电设备,以及电机或涡轮驱动泵。他们一般都会面对如何在保证操作可靠性的前提下使操作成本最小化的挑战。同时,在决定不同燃料的使用优先级时还需要考虑到使用不同的能源会影响系统的能效。比如,相比于使用低价燃料但低效能且附件功率消耗更高的锅炉,高效能的锅炉虽然燃料单价更高, 但总成本却往往更低。
以下是这些优化分析的一些应用:
- 选择电机驱动或蒸汽涡轮驱动来运行设备
- 选择蒸汽吸收式冷冻机或电冷水机来运行设备
- 选择加载不同能源进行加热/冷却的设备
- 选择和加载衰减程度不同以及燃烧不同燃料的发电设备(如燃气涡轮)
- 选择进口或出口电力


多项“假设分析”将会运行以决定如何结合公用设施和设备载量来达到最低运营成本(燃料,电力,水处理)。
ACTSYS@ONE™拥有实时公用设施优化器来 协助操作员决定采用哪一种公用设施设备的模式,以在不影响工艺的前提下达到最低耗能成本。




















